新聞資訊
/行業新聞
阻容降壓無需變壓器從而將AC轉換為DC,缺點是有負載電流的限制,安全問題等。適合較小負載電流的設備,如小家電面板控制、LED等。
電阻降壓是一種簡單的電路,它在主回路上串聯了一個電阻以降低電壓。這種方法既可以降交流,也可以降直流,可以在整流前或整流后使用。電阻兩端的電壓降為V = IR,由于純電阻負載使電壓下降,降壓電阻消耗的有功功率將為Vdrop x I 或 I *I* R。
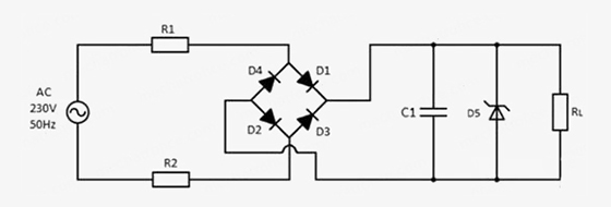
AC-DC電源電阻降壓電路拓撲如上所示,其中電阻R1是降低大部分輸入電源電壓的關鍵元件?,F在要做的是計算R1的值以降低電壓,從而在特定電流值下獲得所需的負載兩端電壓。該電路首先通過R1分壓,之后通過橋式整流器將交流電轉換為直流電,然后是電容濾波和齊納穩壓二極管進行穩壓輸出。
電阻降壓電路計算輸入電壓:230V、50HZ交流電,輸出電壓:12VDC、50mA輸出。先要找到需要降低的電壓,即電源電壓與包括負載在內的組件上的所有電壓降之和之間的差值。
器件選型:
R2=100Ω(R2有保險絲的作用,也可以降低輸入浪涌電壓對后端電路的沖擊)
D1、D2、D3、D4=1N4007(整流作用)
C1=470μf(濾波作用)
D5=12V,1W(穩壓二極管實現12V穩壓輸出)
負載電壓是12V,如果負載電流按50mA,那么R2電阻兩端的電壓是0.05 x 100 = 5V。
橋式整流器的兩個正向偏置二極管的壓降1V(每個二極管0.7至1.2V),1 x 2 = 2V。
R1下降的凈電壓等于230-12-5-2 = 211V,輸入電壓是AC電壓,也就是RMS電壓,等于整流后的RMS DC電壓。
通過以上可知,R1電阻器需要在通過50mA的電流下降低211V電壓。所以R = V/I = 211/50mA= 4220Ω。
可以先選擇一個接近計算值的標準值3.9K電阻,因為電阻值低于計算值,會有余量電流。如果選擇的電阻高于計算值,則實際電流將低于所需值。因為R1的變化會改變電流,現在需要重新計算使用3.9K和100Ω電阻降低的電壓。
R1和R2兩端的電壓230-12-2=216V。使用3.9K和100Ω電阻下降216V的電流值等于216 / (3900+100) = 54mA。驅動50mA負載,其余4mA將被連接在負載兩端的12V齊納二極管消耗。輸入電源為230V,負載電路消耗的電流為54mA,則輸入功率等于230x54mA=12.42W。將電路視為純電阻,輸出負載功率等于12x50mA=0.6W,輸入和輸出之間的功率差為12.42-0.6=11.82W。
電路浪費了11.82瓦的功率,齊納二極管和整流二極管的功率損耗要低很多,因此,使用電阻降壓并不是一種有效的方法,因為它具有大量的熱量損失。
AC-DC電源阻容降壓電路由降壓-整流-穩壓-濾波組成,在電路設計時,應先確定負載最大工作電流,通過此電流值計算電容容值大小,從而選取電容。與線性變壓器電源的區別是阻容降壓電源是通過負載電流選定電容,而線性變壓器電源是通過負載電壓和功率選定變壓器。